- Steyr Puch PKW
-
Haflinger Teile
- 1. Motor
-
2. Getriebe
- 2.01 Triebwerksgehäuse
- 2.05 Schaltgehäuse und Zwischenflansch
- 2.08 Fünfgang-Getriebe 1. Gang
- 2.09 Fünfgang-Getriebe 2. bis 5. Gang
- 2.10 Viergang-Getriebe
- 2.11 Viergang Getriebe mit Kriechgang
-
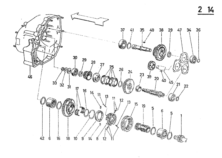
2.14 Kriechgang (für 4-Gang mit Kriechgang)
- 2.15 Nebenantrieb 5-Gang Getriebe
- 2.16 Nebenantrieb 4-Gang Getriebe
- 2.20 Getriebeschaltung 5-Gang Getriebe
- 2.21 Getriebeschaltung 4-Gang Getriebe
- 2.25 Ausgleichsgetriebe
- 3. Vorder- und Hinterachse
- 4. Radaufhängung
- 5. Lenkung
- 6. Radnaben
- 7. Räder und Bremsen
- 8. Bedienungsorgane
- 9. Zündung, Schalter, vordere Leuchten
- 10. Schlussleuchten, Scheibenwischer
- 20. Bodengruppe
- 21. Stirnwandzubehör
- 23. Sitze
- 25. Bordwände
- 26. Verdeckgerüste
- 27. Fahrzeugverdecke
- 28. Türen
- 30. Zusatzausrüstungen
- Werkzeug
- Modellautos
- Literatur
- Geschenkartikel, Merchandising
- Fiat Modelle
- Fiat/Lancia Modelle. Lagerabverkauf
- Oldtimerbedarf
- Service und Links
- Literatur
- Blog
2.14 Kriechgang (für 4-Gang mit Kriechgang)

Filter
–
Einstellring
Bild Nr.: 09E
4,80 €*
Produktnummer: 700122266105_.1
Grösse3:
Einstellring 2 00
Verschiedene Größen (1 00 - 6 00)
Nadellager35x40x19
Bild Nr.: 17
34,80 €*
Produktnummer: 9006851_
wir sagen Ihnen, wie Sie dieses Lager ganz einfach teilen können und somit problemlos einbauen können. Denn es sind nur mehr einteilige erhältlich.
Einstellring
Bild Nr.: 42 / 9E
Ab
4,20 €*
Produktnummer: 700122266101M
Verschiedene Größen (1 00 - 6 00)