- Steyr Puch PKW
-
Haflinger Teile
- 1. Motor
- 2. Getriebe
- 3. Vorder- und Hinterachse
- 4. Radaufhängung
- 5. Lenkung
- 6. Radnaben
- 7. Räder und Bremsen
- 8. Bedienungsorgane
- 9. Zündung, Schalter, vordere Leuchten
- 10. Schlussleuchten, Scheibenwischer
- 20. Bodengruppe
- 21. Stirnwandzubehör
- 23. Sitze
- 25. Bordwände
- 26. Verdeckgerüste
- 27. Fahrzeugverdecke
- 28. Türen
- 30. Zusatzausrüstungen
- Werkzeug
- Modellautos
- Literatur
- Geschenkartikel, Merchandising
- Fiat Modelle
- Fiat/Lancia Modelle. Lagerabverkauf
- Oldtimerbedarf
- Service und Links
- Literatur
- Blog
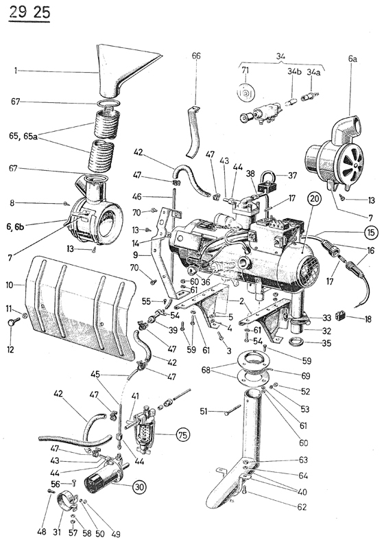
30.40 Standheizung Eberspächer alte Ausführung

Filter
–
Sicherungsdose
Bild Nr.: 16
4,50 €*
Produktnummer: 10115707
101.1.5707, einpolig 25 Ampere, mit Sicherung
Lampenfassung
Bild Nr.: 34a
4,20 €*
Produktnummer: 5011868202.
501.1.86.820.2, Fassung für 7mm Lampen
Heizungsschlauch 50mm per 10cm
Bild Nr.: 65
Ab
1,08 €*
Produktnummer: 1x11x885
7001661228, Bitte die benötigte Länge in 10cm (1 Einheit = 10cm) angeben. Dieser Schlauch wurde sowohl bei der Auspuffheizung als auch in der Kabine mit verschiedenen Längen verwendet. Maximallänge 1,1Meter in Einem