- Steyr Puch PKW
-
Haflinger Teile
-
1. Motor
- 1.01 Kurbelgehäuse, Zylinder, Zylinderkopf
- 1.05 Kurbelwelle, Pleuelstange, Kolben
- 1.10 Nockenwelle, Ventile
- 1.15 Öleinfüllung, Ölpumpe, Ölfilter, Ölkühler
- 1.16 Öleinfüllung, Ölpumpe, Ölfilter, Ölkühler Geschlossene Kürbelgehäuseentlüftung
- 1.20 Gebläse
- 1.25 Motor-Abdeckbleche
- 1.30 Regler mit Antrieb Ausführung für Fahrzeug ohne Nebenantrieb
- 1.31 Regler mit Antrieb Ausführung für Fahrzeug mit Nebenantrieb
- 1.35 Luftfilter, Ansaugrohr Zenith Vergaser 32 NDIX Serie I
-
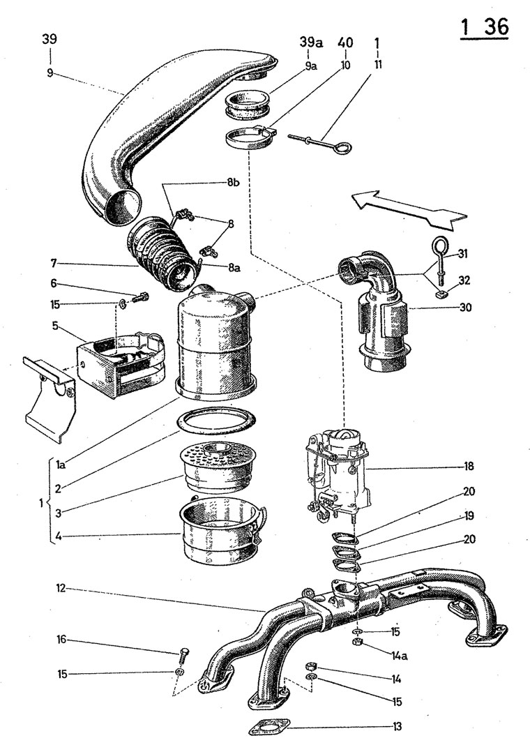
1.36 Luftfilter, Ansaugrohr Weber Vergaser 32 Serie I
- 1.37 Luftfilter, Ansaugrohr Zenith Vergaser 32 NDIX Serie II (mit Trockenluftfilter)
- 1.38 Luftfilter, Ansaugrohr Serie II (mit Trockenluftfilter)
- 1.40 Vergaser - Zenith 32 NDIX
- 1.41 Vergaser Weber 32ICS
- 1.45 Benzinfilter
- 1.46 Benzinpumpen Übersicht
- 1.47 Weber
- 1.48 Solex (Pierburg)
- 1.50 Kraftstoffbehälter und Leitungen
- 1.55 Auspuffanlage ohne Heizung
- 1.56 Auspuffanlage mit Heizung
- 1.60 Kupplung
- 1.70 Luftfilter und Luftführungsrohre
- 1.75 Luftführungen zur Auspuffheizung
- 2. Getriebe
- 3. Vorder- und Hinterachse
- 4. Radaufhängung
- 5. Lenkung
- 6. Radnaben
- 7. Räder und Bremsen
- 8. Bedienungsorgane
- 9. Zündung, Schalter, vordere Leuchten
- 10. Schlussleuchten, Scheibenwischer
- 20. Bodengruppe
- 21. Stirnwandzubehör
- 23. Sitze
- 25. Bordwände
- 26. Verdeckgerüste
- 27. Fahrzeugverdecke
- 28. Türen
- 30. Zusatzausrüstungen
- Werkzeug
- Modellautos
- Literatur
- Geschenkartikel, Merchandising
-
1. Motor
- Fiat Modelle
- Fiat/Lancia Modelle. Lagerabverkauf
- Oldtimerbedarf
- Service und Links
- Literatur
- Blog
1.36 Luftfilter, Ansaugrohr Weber Vergaser 32 Serie I

Filter
–
Gummibalg zum Ölbadluftfilter
Bild Nr.: 07
13,50 €*
Produktnummer: 1x1x632
5041080101, Präzisionsfertigung exklusiv für Autoquariat Wien
Pertinaxflansch für alle 32er und 40er Einzelvergaser
Bild Nr.: 19
12,90 €*
Produktnummer: 1x1x123
Premium, 5041080131, für alle Puch 32 und 40 Einfachvergaser, vollkommen plan, österreichische Produktion, Pertinax ist eine eingetragenes Markenzeichen der Dr. Dietrich Müller GmbH
Flanschdichtung für alle 32er und 40er Einzelvergaser
Bild Nr.: 20
1,20 €*
Produktnummer: 1x1x122
5021080071, für alle Puch 32 und 40 Einzelvergaser