-
Steyr Puch PKW
-
Steyr Puch PKW, Combi bis 1968
-
1.Motor
- 1.01 Kurbelgehäuse, Zylinder, Zylinderkopf
- 1.04 Kurbelwelle, Pleuelstange, Kolben bis 1959
- 1.05 Kurbelwelle, Pleuelstange, Kolben ab 1959
- 1.10 Nockenwelle, Ventile
- 1.14 Öleinfüllung, Ölpumpe, Ölfilter, Ölkühler bis 1959
- 1.15 Öleinfüllung, Ölpumpe, Ölfilter, Ölkühler ab 1959
- 1.20 Gebläse
- 1.25 Motor-Abdeckbleche
- 1.35 Luftfilter, Ansaugrohr
- 1.41 Vergaser - Weber 28 IBMS
- 1.42. Solex 28 VFIS
- 1.43 Solex 32 PCI
-
1.44 Vergaser Weber 32ICS
- 1.45 Vergaser Solex 40 PID
- 1.46 Vergaser - Zenith 32 NDIX
- 1.47 Benzinpumpen Übersicht
- 1.48 Weber
- 1.49 Solex (Pierburg)
- 1.50 Kraftstoffbehälter, Kraftstoffleitungen
- 1.54 Auspuffanlage 57-58
- 1.55 Auspuffanlage ab 1959
- 1.60 Kupplung Alle
- 1.65 Motor und Getriebeaufhängung
- 2. Getriebe
- 3. Tachoantrieb
- 4. Radaufhängungen
- 5. Lenkung
- 7. Räder und Bremsen
- 8. Bedienungsorgane, Seilzüge
- 9. Elektrik (Zündung, Leuchten...)
- 10. Blechteile
- 11. Karosserieteile
- 12. Sonderzubehör
- 13. Literatur
- 14. Werkzeuge
- 15. Geschenkartikel, Merchandising
- 30.95 Zusatzausstattung
- Modellautos
-
1.Motor
- Steyr Puch 500/500S ab 1968
-
Steyr Puch PKW, Combi bis 1968
- Haflinger Teile
- Fiat Modelle
- Fiat/Lancia Modelle. Lagerabverkauf
- Oldtimerbedarf
- Service und Links
- Literatur
- Blog
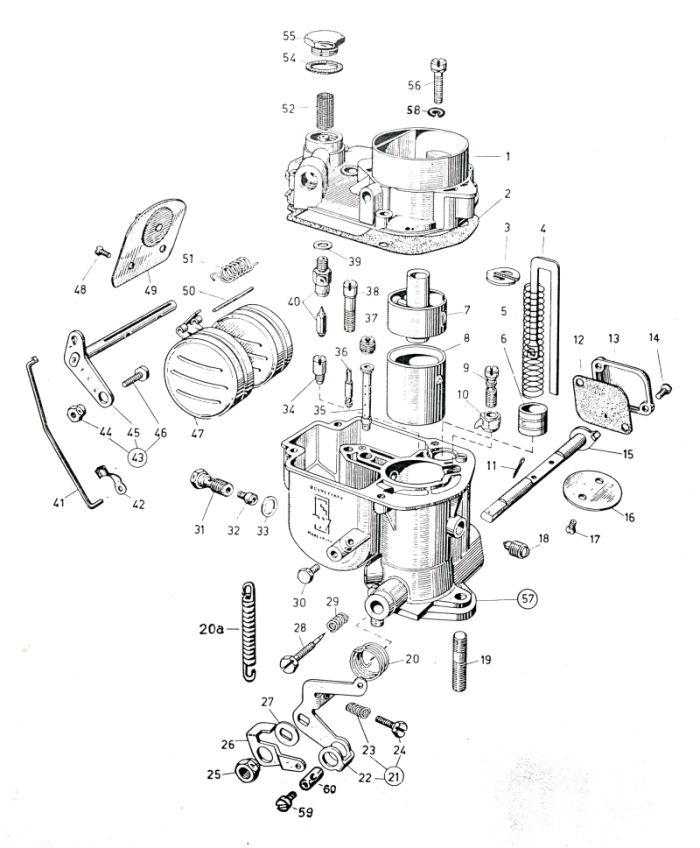
1.44 Vergaser Weber 32ICS

Reparatur Service
Bei Vergaser ist Reparatur möglich. Nähere Informationen erhalten Sie in unserem Geschäft.
Wenn es Probleme mit diesem Vergaser gibt, dann liegt das fast immer an undichten Schwimmern und/oder ausgeschlagenen Schwimmernadelventilen.
Produktnummer: 1x1x615
Produktnummer: 1x1x614
Produktnummer: 1x1x332
Produktnummer: 1x13x351
Produktnummer: 1x1x338
Produktnummer: 1x1x337
Produktnummer: 1x1x685
Produktnummer: 1x1x685Ue
Produktnummer: 1x1x123
Produktnummer: 1x1x686_AT