-
Steyr Puch PKW
-
Steyr Puch PKW, Combi bis 1968
-
1.Motor
- 1.01 Kurbelgehäuse, Zylinder, Zylinderkopf
- 1.04 Kurbelwelle, Pleuelstange, Kolben bis 1959
- 1.05 Kurbelwelle, Pleuelstange, Kolben ab 1959
- 1.10 Nockenwelle, Ventile
- 1.14 Öleinfüllung, Ölpumpe, Ölfilter, Ölkühler bis 1959
- 1.15 Öleinfüllung, Ölpumpe, Ölfilter, Ölkühler ab 1959
- 1.20 Gebläse
- 1.25 Motor-Abdeckbleche
- 1.35 Luftfilter, Ansaugrohr
- 1.41 Vergaser - Weber 28 IBMS
- 1.42. Solex 28 VFIS
- 1.43 Solex 32 PCI
- 1.44 Vergaser Weber 32ICS
- 1.45 Vergaser Solex 40 PID
- 1.46 Vergaser - Zenith 32 NDIX
- 1.47 Benzinpumpen Übersicht
- 1.48 Weber
- 1.49 Solex (Pierburg)
- 1.50 Kraftstoffbehälter, Kraftstoffleitungen
-
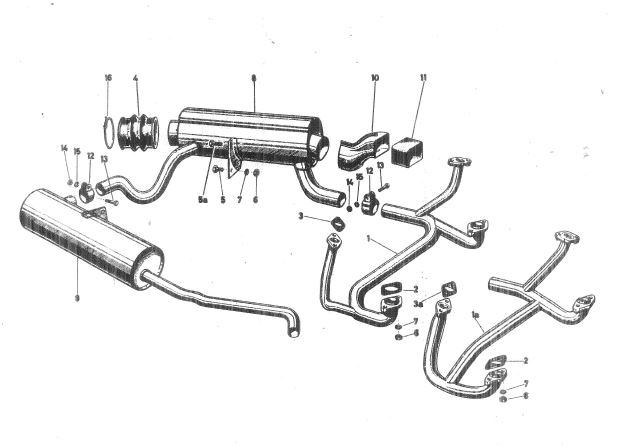
1.54 Auspuffanlage 57-58
- 1.55 Auspuffanlage ab 1959
- 1.60 Kupplung Alle
- 1.65 Motor und Getriebeaufhängung
- 2. Getriebe
- 3. Tachoantrieb
- 4. Radaufhängungen
- 5. Lenkung
- 7. Räder und Bremsen
- 8. Bedienungsorgane, Seilzüge
- 9. Elektrik (Zündung, Leuchten...)
- 10. Blechteile
- 11. Karosserieteile
- 12. Sonderzubehör
- 13. Literatur
- 14. Werkzeuge
- 15. Geschenkartikel, Merchandising
- 30.95 Zusatzausstattung
- Modellautos
-
1.Motor
- Steyr Puch 500/500S ab 1968
-
Steyr Puch PKW, Combi bis 1968
- Haflinger Teile
- Fiat Modelle
- Fiat/Lancia Modelle. Lagerabverkauf
- Oldtimerbedarf
- Service und Links
- Literatur
- Blog
1.54 Auspuffanlage 57-58

bis Fahrzeugnummer 501.4164 (Fahrzeugnummer ist am Typenschild und NICHT mit der Fahrgestellnummer zu verwechseln
Produktnummer: 1x1x700
Produktnummer: 1x1x711
Produktnummer: 50111209
Produktnummer: 1x1x109
Produktnummer: 1x1x720
Produktnummer: 1x1x730_.
Produktnummer: 1x1x722